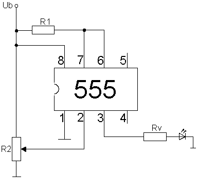
Timer555 als Schwellwertschalter

Steigt die Spannung an Pin 2 auf über 1/3 der Betriebsspannung, so erhält Pin 3 Nullpotential (0 V). Im oberen Beispiel würde
die LED dann nicht leuchten.
Sinkt die Spannung an Pin 2 auf unter 1/3 der Betriebsspannung, so erhält Pin 3 Pluspotential (Versorgungsspannung). Im oberen Beispiel würde die LED also leuchten.
Pin2 < 1/3 Ub → Pin3 = HI
Pin2 > 1/3 Ub → Pin3 = LOW
Siehe auch