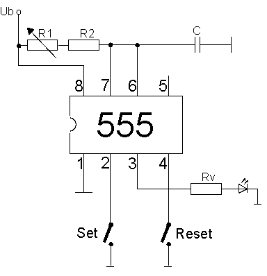
Timer555 - stufenlose Verweilzeiteinstellung
Monostabile Kippschaltung mit stufenloser Verweilzeiteinstellung.

Mit dem Potentiometer R1 läßt sich die Verweilzeit von tv1 bis tv2 stufenlos einstellen.
kürzeste Verweilzeit:
tv1 = 1.1 ⋅ C ⋅ R2
längste Verweilzeit:
tv2 = 1.1 ⋅ C ⋅ (R1 + R2)
Siehe auch