Timer555 - Akustischer Schalter
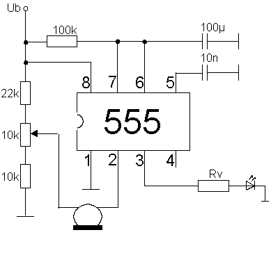
Die folgende Beschaltung des Timer555 Timers 555 lässt schnell einen akustischen Schalter realisieren. Ab einen bestimmten Lautstärkepegel leuchtet die LED in der Beispielschaltung für die durch R und C festgelegte Zeit auf. Zur Einstellung der Leuchtdauer siehe Timer555MonoKipp Monostabile Kippschaltung. Die Empfindlichkeit des Schalters ist durch das Poti (10 kOhm) einstellbar.

Siehe auch